Сделать домашней|Добавить в избранное
 

 
» Материалы за 17.11.2013
на правах рекламы
Сортировать статьи по: дате | популярности | посещаемости | комментариям | алфавиту

Новая версия М17 ММ1

Новая версия М17 ММ1

Также два моноканала в одном корпусе.Кенотронное питание.
На входе малошумящий пендод 6Ж7. Далее СРПП с катодным повторителем для выравнивания вход-выход. Достойно звучит.Внешний вид не окончательный..( Колпаки передняя панель).
PS. Прошел не зависимую экспертизу 5+ . Будем теперь сравнивать с импортными брендами.
Наверное буду переводить на печатные платы.

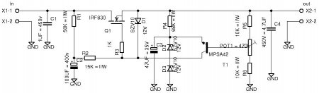
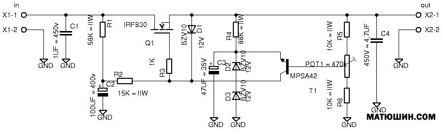
Высоковольтный регулятор напряжения

Высоковольтный регулятор напряжения

Высоковольтный регулятор напряжения

Удобный во всех отношениях прибор. Регулирует напряжение в пределах макс. 500В-мин.30В. Рекомендуется применять до 100мА.нагрузки. Причем необходимо контролировать падение напряжения на транзисторе. Чем больше разница между входным и выходным напряжением , тем меньше тепловая мощность транзистора и тем больше необходим радиатор охлаждения на транзистор. Например: при входном напряжении 300В и выходном 230В достаточно такого радиатора , как на фото.
Снят с производства.!